• WIĄZKA ELEKTR.Ł C330 ALT.EXPOM KWIDZYŃ

Symbol: 42342942AEX
225.14
szt. Do przechowalni
Wysyłka w ciągu 24 godziny
Cena przesyłki 12
Kurier DPD 12
Kurier InPost 12
Kurier DPD pobranie (Za pobraniem) 15
Kurier InPost Pobranie (Za pobraniem) 15
Dostępność Duża dostępność
Zostaw telefon

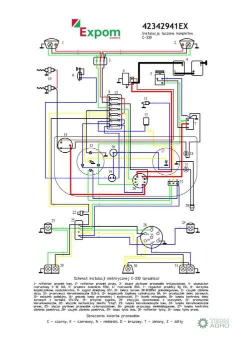
Instalacja kompletna łączona alternator do ciągnika C-330 w marce Expom Kwidzyn eu jest to produkt wykonany z najlepszych komponentów.W instalacji wykorzystano przewody miedziane o oznaczeniu FLY ,posiadają lepsze właściwości plastczne i temperaturowe (-40 do +125C),dzięki czemu są bardziej elastyczne i nie pękają. Każda wiązka poddawana jest kontroli elektrycznej ,odpowiedni dobór najlepszych materiałów zapewnia bezpieczeństwo i długoletnią bezawaryiną pracę układów instalacji.W skład instalacji wchodzą wszystkie przewody, stacyjka, skrzynka bezpiecznikowa, listwa łączeniowa i przełącznik kierunkowskazów.Przewody instalacji są podłączone pod podzespoły wyżej wymienione.

*****

Indeksy zamienne: 42342942,0042342942,42/34-294/2,0042/34-294/242342942A,42342942AU,42342942AEX.

*****

Zastosowanie: Ursus:C-328;C328;C-330;C330.

Materiał: Miedź
Napięcie: 12V
Opakowanie: 1szt
Pakowanie po:: 1
Informacja GPSR: produkt wprowadzony do obrotu na terenie UE przed 13.12.2024 roku